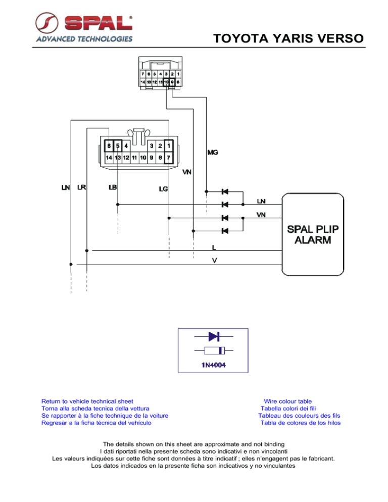
toyota yaris verso

Transcription

toyota yaris verso
TOYOTA YARIS VERSO
Return to vehicle technical sheet
Torna alla scheda tecnica della vettura
Se rapporter à la fiche technique de la voiture
Regresar a la ficha técnica del vehículo
Wire colour table
Tabella colori dei fili
Tableau des couleurs des fils
Tabla de colores de los hilos
The details shown on this sheet are approximate and not binding
I dati riportati nella presente scheda sono indicativi e non vincolanti
Les valeurs indiquées sur cette fiche sont données à titre indicatif ; elles n’engagent pas le fabricant.
Los datos indicados en la presente ficha son indicativos y no vinculantes
COLORS
Return to electrical diagram
Torna allo schema elettrico
Se rapporter au schéma électrique
Regresar al esquema eléctrico
COLORS
Return to electrical diagram
Torna allo schema elettrico
Se rapporter au schéma électrique
Regresar al esquema eléctrico