Un site qui parle des fendeuses : http://www.ac-nancy

Transcription

Un site qui parle des fendeuses : http://www.ac-nancy
Un site qui parle des fendeuses :
http://www.ac-nancy-metz.fr/enseign/Autocompetences/2_ressources_pedagogiques/12_parcs-et-jardins/stockage_debattyjc/f-materiels-creation-ev/10_materiels-connexes-specifiques/fendeuse-buches.pdf
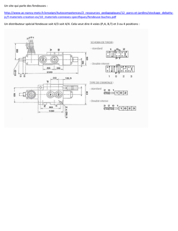
Un distributeur spécial fendeuse soit 4/3 soit 4/4. Cela veut dire 4 voies (P,A, B,T) et 3 ou 4 positions :